Essência: Uma válvula de retenção projetada com um corpo de válvula simplificado e fechamento assistido por mola, que combina as funções de bloqueio de refluxo médio, reduzindo o ruído de impacto do fluxo de água e reduzindo o consumo de energia.
Recursos principais:
Redução de ruído: usando disco de válvula selado macio de borracha e estrutura de amortecimento de mola, não há som de impacto quando fechado, eliminando efetivamente o impacto do golpe de aríete;
Design de economia de energia: a cavidade interna simplificada do corpo da válvula e o canal de passagem total reduz a resistência ao fluido, reduz a carga da bomba e aumenta a eficiência de economia de energia em mais de 20%;
Resposta rápida: Curso curto do disco da válvula (apenas 1/4 do diâmetro), fechamento da válvula acelerado por mola, tempo de bloqueio de fluxo reverso reduzido e perda de energia reduzida.
Aplicações típicas: Fornecimento de água para edifícios altos, sistemas HVAC, saídas de bombas de água industriais e outros cenários que exigem prevenção de refluxo, baixo ruído e eficiência energética.




valve body | Ferro fundido, ferro dúctil, aço fundido, aço inoxidável |
valve core | Ferro fundido, ferro dúctil, aço fundido, aço inoxidável |
spring | aço inoxidável |
superfície de vedação | Borracha nitrílica, borracha de cloropreno, borracha de etileno propileno, borracha fluorada |

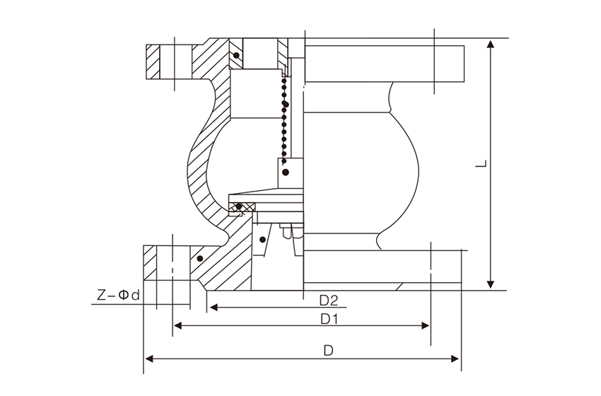
Diâmetro Nominal | PN1.0MPa | Diâmetro Nominal | PN1.6MPa | ||||||||
L | D | K | B | Z-Φd | L | D | K | B | Z-Φd | ||
40 | 112 | 145 | 110 | 18 | 4-18 | 40 | 112 | 145 | 110 | 18 | 4-18 |
50 | 120 | 160 | 125 | 20 | 4-18 | 50 | 120 | 160 | 125 | 20 | 4-18 |
65 | 130 | 180 | 145 | 20 | 4-18 | 65 | 130 | 180 | 145 | 20 | 4-18 |
80 | 150 | 195 | 160 | 22 | 8-18 | 80 | 150 | 195 | 160 | 22 | 8-18 |
100 | 165 | 215 | 180 | 24 | 8-18 | 100 | 165 | 215 | 180 | 24 | 8-18 |
125 | 190 | 245 | 210 | 26 | 8-18 | 125 | 190 | 245 | 210 | 26 | 8-18 |
150 | 210 | 280 | 240 | 26 | 8-22 | 150 | 210 | 280 | 240 | 26 | 8-22 |
200 | 225 | 335 | 295 | 28 | 8-22 | 200 | 225 | 335 | 295 | 30 | 12-22 |
250 | 310 | 390 | 350 | 28 | 12-22 | 250 | 310 | 405 | 355 | 32 | 12-26 |
300 | 362 | 440 | 400 | 28 | 12-22 | 300 | 362 | 460 | 410 | 32 | 12-26 |
350 | 380 | 500 | 460 | 30 | 16-22 | 350 | 380 | 520 | 470 | 36 | 16-26 |
400 | 450 | 565 | 515 | 32 | 16-26 | 400 | 450 | 580 | 525 | 38 | 16-30 |
450 | 545 | 615 | 565 | 32 | 20-26 | 450 | 545 | 640 | 585 | 40 | 20-30 |
500 | 580 | 670 | 620 | 34 | 20-26 | 500 | 580 | 715 | 650 | 42 | 20-33 |
Nota:A faixa de pressão é de 1,6 MPa ~ 2,5 MPa. Os dados acima são apenas para referência. Consulte o departamento de vendas da empresa para obter detalhes.
O transporte de petróleo e gás envolve vários modos, como oleodutos e navios, e é o elo central da cadeia de abastecimento de energia.

O controle de matérias-primas químicas abrange todo o processo de mineração, armazenamento e produção, garantindo segurança e estabilidade do processo.

Dutos de vapor de alta temperatura são o núcleo da transmissão de energia em sistemas de energia, apoiando a operação eficiente de usinas térmicas e nucleares.

As válvulas controlam fluidos em vários setores, como energia nova e eletrônica, garantindo uma produção segura e eficiente.


