Definição: Uma válvula gaveta projetada especificamente para meios de alta viscosidade, fibra ou partículas sólidas, com uma porta fina e afiada (semelhante a uma lâmina) que pode eliminar impurezas e evitar bloqueios. É adequado para condições de trabalho complexas, como lama, celulose e esgoto.
Características principais:
Gate de lâmina fina: estrutura compacta, curso curto de abertura e fechamento, forte capacidade de autolimpeza da superfície de vedação;
Design de fundo de válvula sem ranhura: evita acúmulo médio e reduz o risco de bloqueio;
Vedação resistente ao desgaste: usando borracha, poliuretano ou vedação rígida de metal para se adaptar a partículas erosão;
Leve e adequado para baixa pressão: Os principais materiais são principalmente ferro fundido e aço inoxidável, e a pressão de trabalho é geralmente ≤ 1,6MPa.
Aplicações típicas: Intercepção de dutos para meios mistos sólido-líquidos na fabricação de papel, tratamento de águas residuais, mineração, processamento de alimentos e outras indústrias.
Limitações: Devido a limitações de resistência estrutural, não é adequado para cenários de alta pressão ou alta temperatura (geralmente ≤ 200 ℃).








Corpo da válvula, tampa superior | Aço carbono, aço inoxidável |
bater | aço inoxidável |
haste da válvula | aço inoxidável |
anel de vedação | Borracha, PTFE, aço inoxidável, liga dura |

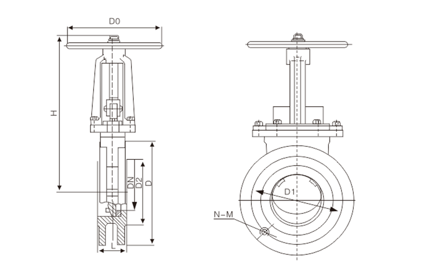
Nominal Diâmetro DN(mm) | PN 1,0 MPa | ||||||
eu | D | D1 | D2 | H | NM | D0 | |
50 | 48 | 160 | 125 | 100 | 285 | 4-M16 | 180 |
65 | 48 | 180 | 145 | 120 | 298 | 4-M16 | 180 |
80 | 50 | 195 | 160 | 135 | 315 | 4-M16 | 220 |
100 | 50 | 215 | 180 | 155 | 365 | 8-M16 | 220 |
125 | 50 | 245 | 210 | 185 | 400 | 8-M16 | 230 |
150 | 57 | 280 | 240 | 210 | 475 | 8-M20 | 280 |
200 | 70 | 335 | 295 | 265 | 540 | 8-M20 | 360 |
250 | 70 | 390 | 350 | 320 | 630 | 12-M20 | 360 |
300 | 76 | 440 | 400 | 368 | 780 | 12-M20 | 400 |
350 | 76 | 500 | 460 | 428 | 885 | 16-M20 | 400 |
400 | 89 | 565 | 515 | 482 | 990 | 16-M22 | 400 |
450 | 89 | 615 | 565 | 532 | 1100 | 20-M22 | 530 |
500 | 114 | 670 | 620 | 585 | 1200 | 20-M22 | 530 |
600 | 114 | 780 | 725 | 685 | 1450 | 20-M27 | 600 |
700 | 130 | 895 | 840 | 800 | 1700 | 24-M27 | 600 |
800 | 130 | 1010 | 950 | 905 | 2000 | 24-M30 | 680 |
900 | 140 | 1110 | 1050 | 1005 | 2300 | 28-M30 | 680 |
Observação:A faixa de pressão é de 1,0 MPa ~ 16,0 MPa. Os dados acima são apenas para referência. Consulte o departamento de vendas da empresa para obter detalhes.
O transporte de petróleo e gás envolve vários modos, como oleodutos e navios, e é o elo central da cadeia de abastecimento de energia.

O controle de matérias-primas químicas abrange todo o processo de mineração, armazenamento e produção, garantindo segurança e estabilidade do processo.

Dutos de vapor de alta temperatura são o núcleo da transmissão de energia em sistemas de energia, apoiando a operação eficiente de usinas térmicas e nucleares.

As válvulas controlam fluidos em vários setores, como energia nova e eletrônica, garantindo uma produção segura e eficiente.


