Essência: uma válvula que consegue abertura e fechamento unidirecional rolando uma bola rolante ao longo de um slide, usando o peso próprio da bola ou a pressão do meio para bloquear o refluxo.
Características principais:
Esfera rolante + estrutura deslizante: a bola rola livremente dentro do trilho de guia, empurrando-o aberto ao fluir para frente, e rapidamente redefinindo e selando quando fluindo para trás;
Design de baixa resistência ao fluxo: canal de fluxo de furo completo, adequado para altas taxas de fluxo, partículas ou meios viscosos;
Resistência ao desgaste e resistência a altas temperaturas: Esferas metálicas (como aço inoxidável) são adequadas para condições de trabalho corrosivas ou de alta temperatura, com uma longa vida útil.
Aplicações típicas: Sistemas de tubulação que exigem resistência ao desgaste e prevenção de refluxo em indústrias como petróleo, produtos químicos e transporte de lama.





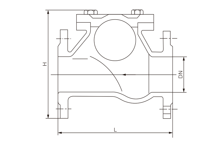
Nome da peça | valve body | ball |
material | Ferro fundido, ferro dúctil, aço fundido | Corpo de aço envolto em borracha |

Diâmetro Nominal | L | H |
50 | 180 | 180 |
65 | 200 | 210 |
80 | 260 | 245 |
100 | 300 | 280 |
125 | 350 | 335 |
150 | 400 | 400 |
200 | 500 | 495 |
250 | 530 | 610 |
300 | 695 | 715 |
350 | 800 | 820 |
Nota:A faixa de pressão é de 1,0 MPa ~ 2,5 MPa. Os dados acima são apenas para referência. Consulte o departamento de vendas da empresa para obter detalhes.
O transporte de petróleo e gás envolve vários modos, como oleodutos e navios, e é o elo central da cadeia de abastecimento de energia.

O controle de matérias-primas químicas abrange todo o processo de mineração, armazenamento e produção, garantindo segurança e estabilidade do processo.

Dutos de vapor de alta temperatura são o núcleo da transmissão de energia em sistemas de energia, apoiando a operação eficiente de usinas térmicas e nucleares.

As válvulas controlam fluidos em vários setores, como energia nova e eletrônica, garantindo uma produção segura e eficiente.


