Essência: Uma válvula de retenção projetada especificamente para tubulações verticais, que evita automaticamente o refluxo do meio através da ação vertical de elevação ou rotação do disco da válvula. É adequado para controle de fluxo unidirecional de líquidos, gases, etc.
Características principais:
Instalação vertical: A estrutura do corpo da válvula é adaptada a tubulações verticais, economizando espaço e não exigindo suporte adicional;
Baixa resistência ao fluxo: O canal é projetado para ser direto, garantindo fluxo suave do meio e perda mínima de pressão;
Vedação confiável: O disco da válvula e a superfície de vedação são feitos de materiais metálicos ou elásticos, que são resistentes ao desgaste e fecham rapidamente;
Manutenção conveniente: a maioria das estruturas suporta manutenção on-line sem a necessidade de desmontar tubulações.
Aplicações típicas: abastecimento e drenagem de água em edifícios altos, tubulações verticais químicas, saídas de bombas e outros cenários que exigem prevenção de refluxo vertical.






Nome da peça | Corpo e disco da válvula | Válvula piloto | Superfície de vedação |
H42W-16C | aço carbono | aço carbono | aço carbono |
H42W-16P | Aço inoxidável cromo níquel titânio | Aço inoxidável cromo níquel titânio | Aço inoxidável cromo níquel titânio |
H42W-25P | Aço inoxidável cromo níquel titânio | Aço inoxidável cromo níquel titânio | Aço inoxidável cromo níquel titânio |
H42W-40P | Aço inoxidável cromo níquel titânio | Aço inoxidável cromo níquel titânio | Aço inoxidável cromo níquel titânio |
H42W-25R | Cromo níquel molibdênio titânio aço inoxidável | Cromo níquel molibdênio titânio aço inoxidável | Cromo níquel molibdênio titânio aço inoxidável |
H42W-40R | Cromo níquel molibdênio titânio aço inoxidável | Cromo níquel molibdênio titânio aço inoxidável | Cromo níquel molibdênio titânio aço inoxidável |
H42Y-40 | aço carbono | aço carbono | Soldagem de revestimento de liga dura |

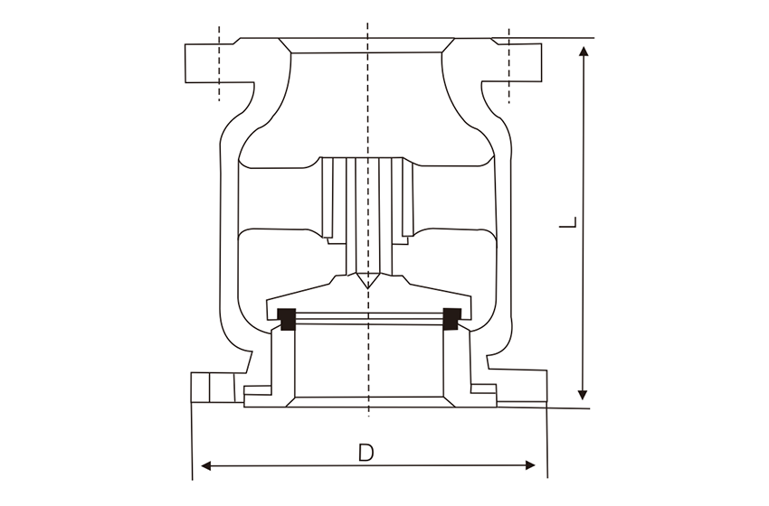
Diâmetro Nominal | L | D | L | D | L | D |
PN1.0MPa | PN2.5MPa | PN4.0MPa | ||||
15 | 80 | 95 | 80 | 95 | - | - |
20 | 90 | 105 | 90 | 105 | - | - |
25 | 100 | 115 | 100 | 115 | - | - |
32 | 110 | 135/140 | 110 | 135/140 | - | - |
40 | 120 | 145/150 | 120 | 145/150 | - | - |
50 | 140 | 160/165 | 140 | 160/165 | 140 | 160 |
65 | 160 | 180/185 | 160 | 180/185 | 160 | 180 |
80 | 185 | 195/200 | 185 | 195/200 | 185 | 195 |
100 | 210 | 215/220 | 210 | 230/235 | 210 | 230 |
125 | 275 | 245/250 | 275 | 275/270 | 275 | 270 |
150 | 300 | 280/285 | 300 | 300 | 300 | 300 |
200 | 380 | 335/340 | 380 | 360 | 380 | 375 |
250 | 430 | 405 | 430 | 425 | 430 | 445 |
300 | 510 | 460 | 510 | 485 | 510 | 510 |
Nota:A faixa de pressão é de 1,6 ~ 4,0 MPa. Os dados acima são apenas para referência. Consulte o departamento de vendas da empresa para obter detalhes.
O transporte de petróleo e gás envolve vários modos, como oleodutos e navios, e é o elo central da cadeia de abastecimento de energia.

O controle de matérias-primas químicas abrange todo o processo de mineração, armazenamento e produção, garantindo segurança e estabilidade do processo.

Dutos de vapor de alta temperatura são o núcleo da transmissão de energia em sistemas de energia, apoiando a operação eficiente de usinas térmicas e nucleares.

As válvulas controlam fluidos em vários setores, como energia nova e eletrônica, garantindo uma produção segura e eficiente.


