Uma válvula de equilíbrio é um dispositivo de controle usado para regular o fluxo ou o equilíbrio de pressão em sistemas de fluidos como água, óleo, etc. Ela ajusta a abertura da válvula manual ou automaticamente para garantir que a vazão ou diferença de pressão de cada ramal da rede de dutos atinja o valor definido, otimizando assim a eficiência operacional do sistema. É dividido principalmente em válvulas de equilíbrio estático (fluxo fixo) e válvulas de equilíbrio dinâmico (ajuste automático da diferença de fluxo/pressão), amplamente utilizadas em HVAC, abastecimento e drenagem de água, hidráulica industrial e outros campos para resolver problemas como aquecimento e resfriamento irregulares, flutuações de pressão, desperdício de energia, etc.




Nome da peça | material |
Corpo da válvula, tampa da válvula, disco da válvula, luva de pressão da gaxeta | Ferro fundido cinzento, ferro dúctil |
Haste da válvula, anel de vedação | aço inoxidável |
Haste e porca da válvula | fundição de bronze |
washer | Placa de amianto de borracha |
filler | grafite expandido |

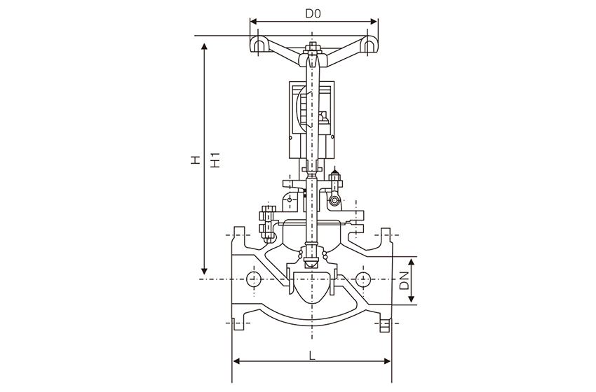
Diâmetro nominal DN (mm) | L | H | H1 | Do |
15 | 130 | 150 | 160 | 80 |
20 | 150 | 160 | 170 | 80 |
25 | 160 | 182 | 197 | 80 |
32 | 180 | 192 | 207 | 90 |
40 | 200 | 250 | 270 | 100 |
50 | 230 | 264 | 284 | 120 |
65 | 290 | 380 | 410 | 200 |
80 | 310 | 413 | 448 | 200 |
100 | 350 | 446 | 506 | 240 |
125 | 400 | 540 | 595 | 240 |
150 | 580 | 623 | 688 | 360 |
200 | 495 | 687 | 762 | 400 |
250 | 622 | 782 | 867 | 500 |
300 | 680 | 914 | 1009 | 500 |
350 | 705 | 968 | 1073 | 680 |
400 | 810 | 1037 | 1152 | 680 |
500 | 860 | 1440 | 1440 | 一 |
600 | 990 | 1790 | 1790 | 一 |
Nota: Os dados acima são apenas para referência. Para obter detalhes, consulte o departamento de vendas da empresa.
O transporte de petróleo e gás envolve vários modos, como oleodutos e navios, e é o elo central da cadeia de abastecimento de energia.

O controle de matérias-primas químicas abrange todo o processo de mineração, armazenamento e produção, garantindo segurança e estabilidade do processo.

Dutos de vapor de alta temperatura são o núcleo da transmissão de energia em sistemas de energia, apoiando a operação eficiente de usinas térmicas e nucleares.

As válvulas controlam fluidos em vários setores, como energia nova e eletrônica, garantindo uma produção segura e eficiente.


