A válvula de corte direto para amônia é uma válvula projetada especificamente para meios altamente corrosivos, como amônia e gás liquefeito. Ele adota uma estrutura direta (a entrada e a saída estão na mesma direção), e o disco e a sede da válvula são vedados à força pela haste da válvula para obter um corte eficiente do meio da tubulação. O corpo da válvula é feito de aço inoxidável ou material de liga resistente à corrosão, e a superfície de vedação é comumente feita de liga Babbitt para garantir resistência à corrosão a longo prazo e vazamento zero. É adequado para cenários adversos, como engenharia química, armazenamento e transporte de petróleo e gás.






Corpo da válvula、tampa da válvula | Nome da peça | anel de vedação | folha de embalagem | glândula | |
J41B(F)-25 | C | aço fundido | Politetrafluoretileno | aço carbono aço inoxidável | Aço carbono |
Z | ferro fundido | ||||
Aço inoxidável | |||||
P | aço inoxidável | ||||

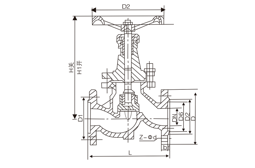
Nominal Diâmetro DN(mm) | Dimensões (mm) | ||||||||||
eu | D | D1 | D2 | D6 | b | f | Z-Φd | H desligado | H1 aberto | Fazer | |
10 | 130 | 90 | 60 | 40 | 35 | 16 | 2 | 4-14 | 165 | 185 | 110 |
15 | 130 | 95 | 65 | 45 | 40 | 16 | 2 | 4-14 | 165 | 185 | 110 |
20 | 150 | 105 | 105 | 55 | 51 | 18 | 2 | 4-14 | 170 | 200 | 120 |
25 | 160 | 115 | 115 | 65 | 58 | 18 | 2 | 4-14 | 197 | 210 | 120 |
32 | 180 | 135 | 135 | 78 | 66 | 20 | 2 | 4-18 | 199 | 213 | 140 |
40 | 200 | 145 | 145 | 85 | 76 | 20 | 3 | 4-18 | 248 | 264 | 160 |
50 | 230 | 160 | 160 | 100 | 88 | 22 | 3 | 4-18 | 265 | 295 | 180 |
65 | 290 | 180 | 180 | 120 | 110 | 24 | 3 | 4-18 | 310 | 349 | 220 |
80 | 310 | 195 | 195 | 135 | 121 | 26 | 3 | 4-18 | 340 | 357 | 240 |
100 | 350 | 230 | 230 | 160 | 150 | 30 | 3 | 8-23 | 380 | 413 | 280 |
125 | 400 | 270 | 270 | 188 | 176 | 32 | 3 | 8-25 | 430 | 451 | 320 |
150 | 480 | 300 | 300 | 218 | 204 | 32 | 3 | 8-25 | 505 | 492 | 360 |
200 | 600 | 360 | 360 | 278 | 260 | 34 | 3 | 12-25 | 550 | 806 | 400 |
250 | 650 | 425 | 425 | 335 | 313 | 36 | 3 | 12-30 | 730 | 880 | 450 |
300 | 750 | 485 | 485 | 390 | 364 | 40 | 3 | 16-30 | - | 995 | 550 |
Observação:Os dados acima são apenas para referência. Para obter detalhes, consulte o departamento de vendas da empresa.
O transporte de petróleo e gás envolve vários modos, como oleodutos e navios, e é o elo central da cadeia de abastecimento de energia.

O controle de matérias-primas químicas abrange todo o processo de mineração, armazenamento e produção, garantindo segurança e estabilidade do processo.

Dutos de vapor de alta temperatura são o núcleo da transmissão de energia em sistemas de energia, apoiando a operação eficiente de usinas térmicas e nucleares.

As válvulas controlam fluidos em vários setores, como energia nova e eletrônica, garantindo uma produção segura e eficiente.


